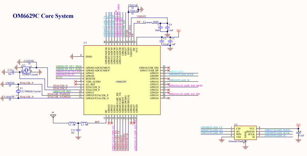
6629C 带外部FLASH和显示屏的原理图

eddy wen · 145次点击 · 2个月前

6629C 带外部FLASH和显示屏的原理图,附件有完整的PDF文件和源文件,部分截图如下:

  1. FLASH 如果没有用QSPI功能,WP和HOLD 对应的IO可以不用接

  2. LCD如果没有用QSPI功能,那屏上的SDA对应的是GPIO18,屏上的DC对应GPIO20

image.png

OM6629C_LCD_FLASH_Core_V1.0-202603276473.rar
被收藏 0  ∙  0 赞  
加入收藏
点赞
0 回复  
善言善语 (您需要 登录 后才能回复 没有账号 ?)

请先登录网站